KontaktierenSieuns :
+49 76 81 47 45 573
export.de@savigny-sas.com
Fabrik Sonntag 4B - D-79183 WALDKIRCH
Unternehmen
Über uns
Unsere technischen Definitionen
Katalog
Spannverschlüsse / Haken / Griffplatte
Scharniere
Handgriffe / Griffplatte
Schlingen
Kistenartikel
Nochenschlösser (1/4 Frehung)
Verriegelungen und Verschlüsse - Diverse
Dichtungen und Schutzkantenz
Verschiedene Teile
Schnellverschlüsse / Blindnieten
Schnellspanner
Spezifischen Produktion / Lagerräumungsverkauf
FAQs
Kontakt
1/4 Drehung - Schloss komplett mit Schraubendreher-Kopf - Körper = 30mm
Wilkommen
/
Katalog
/
Nochenschlosser (1/4 Frehung)
/
Riegelschnäpper 1/4 Drehung - Einsätze mit Vertiefungen
/ 1/4 Drehung - Schloss komplett mit Schraubendreher-Kopf - Körper = 30mm
Produktbeschreibung
Ergänzung
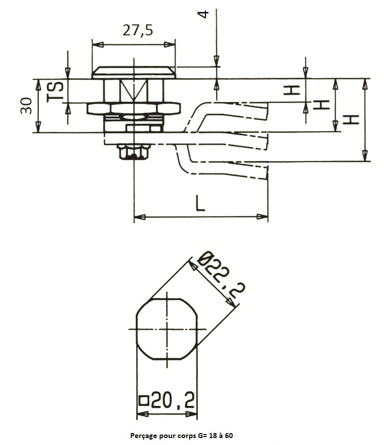
Schloss komplett mit Schraubendreher-Kopf - mit Flachnocken, Stahl Weiß Verzinkt H=30mm
Alle nockenhöhen auf Anfrage
Download der IGS Datei
G
D
S
TS
GEWINDE
MATERIAL
FERTIGUNG
REFERENZ
30
27.5
6
8
M22x1.5
Zamak
ChromStahl
VE.TO-H30.CH
30
27.5
6
8
M22x1.5
Zamak
Schwarze Lackierung
VE.TO-H30.PN
30
27.5
6
8
M22x1.5
Polyamid
Schwarze
VE.TO-H30.PO
* Artikel auf Anfrage gefertigt