KontaktierenSieuns :
+49 76 81 47 45 573
export.de@savigny-sas.com
Fabrik Sonntag 4B - D-79183 WALDKIRCH
Unternehmen
Über uns
Unsere technischen Definitionen
Katalog
Spannverschlüsse / Haken / Griffplatte
Scharniere
Handgriffe / Griffplatte
Schlingen
Kistenartikel
Nochenschlösser (1/4 Frehung)
Verriegelungen und Verschlüsse - Diverse
Dichtungen und Schutzkantenz
Verschiedene Teile
Schnellverschlüsse / Blindnieten
Schnellspanner
Spezifischen Produktion / Lagerräumungsverkauf
FAQs
Kontakt
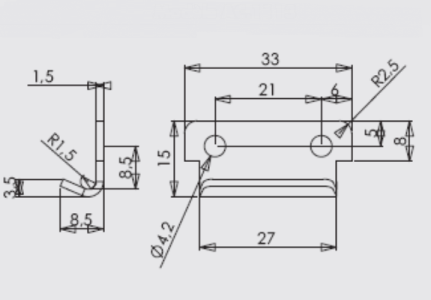
Haken für Spannverschlusse
Wilkommen
/
Katalog
/
Spannverschlüsse / Haken / Griffplatte
/
Flachhaken für Spannverschlüsse
/ Haken für Spannverschlusse
Download der IGS Datei
MATERIAL
FERTIGUNG
THEORETISCHES GEWICHT
KG/HUNDERT
REFERENZ
Stahl
Bichromat-Zinküberzug
0,500
AC. 1113-ZB
Edelstahl
Roh gebohrt
0, 500
AC. 1113-IB
Edelstahl
Poliert
0, 500
AC. 1113-IP*
* Artikel auf Anfrage gefertigt
Passendes Zubehör
Alu/Stahl Flachkopfniet D 1.4 bis 6.4 Aluminium/Stahl Niet
MEHR DETAILS