Spannverschlusse mit federn

  • Spannverschlüsse mit federn Spannverschlusse Mit Federn 1
  • Spannverschlüsse mit federn Spannverschlusse Mit Federn 2
Produktbeschreibung Technischen Datenblatt Ergänzung
Available with or without padlock facility.
Interchangeable with American models.
Wide positioning tolerance created by spring mechanism.
Fail safe design prevents over extension of links.
An immobilising spring is available to hold the latch flat against the equipment to which it is mounted when the latch is in the open position. This prevents the open latch rattling and renders it less liable to accidental damage.
Wide positioning tolerance created by spring mechanism
Fail safe design prevents over extension of links
Available with or without padlock facility.
Interchangeable with American models.
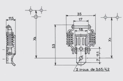
Wide positioning Approximate fixing position to give 20daN tension,
using catch plate AC 101: x = 52.4 mm,
using catch plate AC 104: x = 63.2 mm
Maximum operating tension: 30daN
Recommended Catch Plate: Type AC 101 or AC 104
Lever: Metal Thickness 1.5 mm
Base: Metal Thickness, Type GP 2: 2.0 mm,
Type GP 8: 1.5 mm
Link (Interior): Metal Thickness 1.5 mm
Link (Exterior): Metal Thickness 1.5 mm
Springs: 1.3 mm diameter piano wire, steel
1.4 mm diameter piano wire, stainless steel
Locking pin: 3 mm diameter tolerance created by spring mechanism.
Fail safe design prevents over extension of links.
Download der IGS Datei
MATERIALFERTIGUNGBEFESTIGUNGTHEORETISCHES GEWICHT
KG/HUNDERT
REFERENZ
Stahlgebeiztmit Bohrungen Ø 3.652,950GP.2-BR*
StahlBichromat-Zinküberzugmit Bohrungen Ø 3.652,950GP.2-ZB*
StahlWeißer Zinküberzugmit Bohrungen Ø 3.652,950GP.2-ZI
Edelstahl 18/8Rohmit Bohrungen Ø 3.652,950GP.2-IB
StahlWeißer Zinküberzugmit Bohrungen Ø 4.22,950GP.2-EZI
Edelstahl 18/8Rohmit Bohrungen Ø 4.22,950GP.2-EIB*
* Artikel auf Anfrage gefertigt

Passendes Zubehör